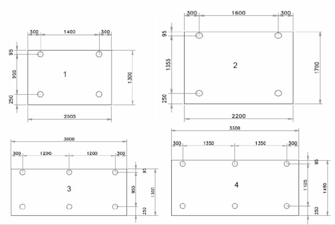
Vordach Glatino Set für 2200 x 1700 mm Glas mit ETA
Vordach Beschlagset mit ETA 12/0514 für Glasabmessungen:
- Glasbreite 2200 mm
- Glastiefe 1700 mm
- Für Glas 51,52 mm VSG aus TVG
Set bestehend aus:
- 2x Zugstange Länge 1745 mm
- 2x Vordach Glatino Punkthalter Glasanschluss für Zugstange ArtNr. 084ag212300
- 2x Vordach Glatino Wandhalter für Zugstange ArtNr. 084ag212201
- 2x Vordach Glatino Punkthalter Wandanschluss ArtNr. 084ag212101
Auszug aus der ETA 12.0514:
2.1.3 Verglasung
Die Art der Verglasung muss gemäß den nationalen Bestimmungen des jeweiligen Landes für die vorgesehene Einbausituation gewählt werden. Bei den verwendeten Glasscheiben muss es sich um Verbundsicherheitsglas gemäß EN 14449 handeln - Glas im Bauwesen - Basiserzeugnisse - Verbundglas und Sicherheitsglas hergestellt aus teilvorgespanntem Kalknatronglas gemäß EN 1863 - Glas im Bauwesen - Basiserzeugnisse - teilvorgespanntes Glas mit oder ohne Eamaillack als 2. Schicht des Verbundsicherheitsglases.
Teilvorgespanntes Glas muss aus Kalk-Natronsilicatglas (Floatglas) gemäß EN 572 - Glas im Bauwesen - Basiserzeugnisse - Teil 1, 2, 3, 4 und 5 hergestellt sein.
In Deutschland sind Glaserzeugnisse für die Verwendung im Bauwesen gemäß "Bauregelliste A Teil 1! zu wählen, die ergänzende Anforderungen stellt.
Für die Anwendung in Deutschland muss das Verbundsicherheitsglas gemäß "Bauregelliste A Teil 1 lfd. Nr. 11.14" aus thermisch vorgespanntem Glas mit "technischer Zulassung für die Verwendung von thermisch vorgespanntem Glas" hergestellt werden, das seinerseits aus Kalk-Natronsilicatglas (Floatglas) gemäß "Bauregelliste A Teil 1 lfd. Nr. 11.10" besteht.
[...]
Eine Emaillbeschichtung ist auf der 2. Seite der Verglasung möglich. Emaillierte Glasscheiben müssen die jeweiligen nationalen Bestimmungen erfüllen. Um die Glasbohrungen ist eine Fläche mit einem Durchmesser von 70 mm von der Emaillierung auszuschließen.




